|      
  
  
   | 
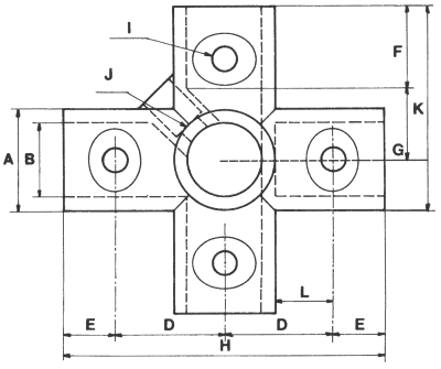
|   | 
|  | Ø34 | Ø35 | Ø42 | Ø49 | Ø50 |  
| A | 43 | 43 | 53 | 62 | 62 |  
| B | 34,5 | 35,5 | 43 | 49,5 | 50,5 |  
| D | 43 | 43 | 43 | 57 | 57 |  
| E | 20,5 | 20,5 | 21 | 17 | 17 |  
| F | 35 | 35 | 30 | 39 | 39 |  
| G | 29 | 29 | 33 | 38 | 38 |  
| H | 127 | 127 | 133 | 156 | 156 |  
| I | 10150 | 10150 | 10150 | 10150 | 10150 |  
| J | 10150 | 10150 | 10150 | 10150 | 10150 |  
| K | 85 | 85 | 68 | 109 | 109 |  
| L | 21,5 | 21,5 | 21,5 | 35 | 35 |  |    
|  | www.centurion.fr
raccords@centurion.fr
+33 (0)4 74 20 05 41 |  |